В линейке материнских плат MAG (MSI Arsenal Gaming) от компании MSI, основанных на чипсете AMD B850, представлено сразу три модели под названием TOMAHAWK. Мы уже знакомились с версией Max WiFi в прошлогоднем обзоре, а к настоящему моменту она обновилась до второй ревизии, получив ряд усовершенствований и доработок. Однако базовая модель с простым именем TOMAHAWK WiFi только сейчас попала к нам на испытания, не проходя никаких дополнительных оптимизаций. Возможно, в MSI посчитали, что эта плата уже обладает всем необходимым, даже избыточным функционалом для сборки игровой системы любого класса? Или же они ожидают нашего заключения, чтобы внести определённые улучшения. Так ли это на самом деле, мы и постараемся разобраться в рамках данного обзора.
⇡#Технические параметры и цена
| MSI MAG B850 TOMAHAWK WiFi | |
| Совместимые процессоры | Процессоры AMD Ryzen серий 9000, 8000 и 7000 для сокета AM5 |
| Чипсет | AMD B850 |
| Подсистема оперативной памяти | 4 слота для модулей UDIMM/CUDIMM DDR5, суммарно до 256 ГБ; |
| реализован двухканальный режим; | |
| поддерживаются частоты от 4800 до 5600 МГц (стандарт JEDEC) и от 5600 до 8200 МГц (в режиме разгона); | |
| имеется поддержка технологий AMD POR Speed, JEDEC Speed и AMD EXPO | |
| Видеовыходы | 1 разъём HDMI 2.1 FRI (поддержка 8K при 60 Гц) |
| Слоты для карт расширения | от центрального процессора: |
| – 1 слот PCI Express 5.0 x16/x8/x4; | |
| от чипсета AMD B850: | |
| – 1 слот PCI Express 4.0 x4; | |
| – 1 слот PCI Express 3.0 x1 | |
| Интерфейсы для накопителей | от процессора: |
| – 1 × M.2_1 для PCIe-накопителей 5.0 x4 длиной 60 или 80 мм; | |
| – 1 × M.2_2 для PCIe-накопителей 4.0 x4 длиной 60, 80 или 110 мм; | |
| от чипсета AMD B850: | |
| – 1 × M.2_3 для PCIe-накопителей 4.0 x4 длиной 60 или 80 мм; | |
| – 4 × SATA с пропускной способностью до 6 Гбит/с | |
| Сетевые | Контроллер Realtek 8126 с поддержкой 5 Гбит/с; |
| интерфейсы | беспроводной модуль Wi-Fi 7 Qualcomm QCNCM865 (802.11 a/b/g/n/ac/ax/be), скорость до 5,8 Гбит/с, работа в диапазонах 2,4, 5 и 6 ГГц (ширина канала 320 МГц), а также Bluetooth 5.4 |
| Аудиосистема | HD-аудиокодек Realtek ALC4080 7.1 с поддержкой 32 бит/384 кГц: |
| – аудиозона изолирована от остальных цепей платы; | |
| – установлены аудиоконденсаторы высокого качества; | |
| – встроен усилитель для наушников; | |
| – раздельная разводка аудиоканалов по слоям платы; | |
| – снижен уровень посторонних щелчков | |
| Интерфейсы USB | Всего доступно 17 USB-портов, включая: |
| – 1 порт USB 3.2 Gen2 Type-C 20 Гбит/с (на задней панели); | |
| – 2 порта USB 3.2 Gen2 Type-C 10 Гбит/с (1 сзади и 1 внутренний); | |
| – 2 порта USB 3.2 Gen2 Type-C 10 Гбит/с (на задней панели); | |
| – 4 порта USB 3.2 Gen1 Type-A 5 Гбит/с (2 сзади и 2 внутренних); | |
| – 8 портов USB 2.0 (4 на задней панели и 4 внутренних) | |
| Разъёмы на тыльной стороне | Кнопки Clear CMOS и Flash BIOS; |
| видеовыход HDMI 2.1; | |
| два порта USB 3.2 Gen2 10 Гбит/с (Type-C и Type-A); | |
| два порта USB 3.2 Gen1 Type-A 5 Гбит/с; | |
| четыре порта USB 2.0; | |
| порт USB 3.2 Gen2 Type-C 20 Гбит/с, порт USB 3.2 Gen2 Type-A 10 Гбит/с и 5-гигабитный сетевой порт; | |
| два SMA-коннектора для антенн Wi-Fi (2T2R); | |
| оптический выход и два аудиоразъёма 3,5 мм | |
| Внутренние разъёмы на плате | 24-контактный разъём основного питания ATX; |
| 8-контактный разъём питания ATX 12 В; | |
| 8-контактный разъём питания PCIe; | |
| 4 порта SATA 3; | |
| 3 разъёма M.2 Socket 3; | |
| разъём USB Type-C для порта USB 3.2 Gen2 10 Гбит/с; | |
| разъём для подключения двух портов USB 3.2 Gen1 5 Гбит/с; | |
| 2 разъёма для четырёх портов USB 2.0; | |
| 8 4-пиновых разъёмов для кулера процессора, помпы СЖО и корпусных вентиляторов; | |
| коннектор EZ Conn-header (JAF_2); | |
| контакты для подключения передней панели корпуса (JFP); | |
| аудиоразъём для передней панели (JAUD); | |
| коннектор датчика открытия корпуса (JCI); | |
| 3 коннектора для адресуемых светодиодных лент ARGB (5В/3A); | |
| коннектор для стандартной RGB-подсветки; | |
| разъём для модуля безопасности TPM 2.0; | |
| 4 светодиода диагностики EZ Debug; | |
| светодиод EZ Memory Detection; | |
| коннектор Tuning Controller (JDASH); | |
| две перемычки BCLK Frequency (JBCLK) | |
| BIOS | 512 Мбит UEFI AMI BIOS с многоязычным интерфейсом и графической оболочкой |
| Контроллер ввода-вывода | Nuvoton NCT6687D-R |
| Дополнительные особенности | Восьмислойная печатная плата с технологией PCB Fabric; |
| система питания процессора 14+2+1 фаза (80А SPS); | |
| разгонный модуль OC Engine; | |
| усиленный слот PCI-E Steel Armor II; | |
| режим Memory Extension; | |
| фирменный интерфейс BIOS Click Bios X; | |
| пакет утилит MSI Center | |
| Форм-фактор и размеры (мм) | ATX, 244 × 305 |
| Поддерживаемые ОС | Windows 11 x64 |
| Гарантия (лет) | 3 |
| Рекомендованная цена, руб. | 23 299 |
⇡#Комплект поставки и упаковка
Упаковка материнской платы MSI MAG B850 TOMAHAWK WiFi выполнена в лаконичном стиле. На передней стороне коробки указано лишь название модели, используемый чипсет и информация о BIOS объёмом 64 МБ. Более содержательной является задняя сторона: здесь перечислены ключевые особенности платы, её технические параметры и состав портов на тыловой панели.
|
|
На боковой грани коробки размещена наклейка с серийным номером изделия, штрихкодами, QR-кодами и отметкой о стране-производителе (что ожидаемо, Китай).
Внутри упаковки плата помещена в антистатический пакет, который лежит на формованном лотке. Под ним расположены все аксессуары. Комплект поставки включает SATA-кабель, антенну для беспроводной связи, кабель для подключения передней панели корпуса EZ, кабель EZ Conn, шнур для адресной подсветки ARGB, винты для крепления накопителей в разъёмах M.2 и ключ для их установки, краткое руководство с гарантийным талоном, купон MSI Shout Out и набор стикеров.
|
|
Однако в отличие от более старших моделей, здесь отсутствует диск с драйверами и программным обеспечением. Впрочем, это неудивительно, учитывая розничную цену MSI MAG B850 TOMAHAWK WiFi, которая составляет всего 23 299 рублей. При этом гарантийный срок, предоставляемый производителем, равен трём годам — такому же, как и для плат более высокого класса.
⇡#Дизайн и особенности
Материнская плата MSI MAG B850 TOMAHAWK WiFi выполнена в форм-факторе ATX (244 × 305 мм) на чёрной текстолитовой основе. Её внешний вид выглядит сбалансированно и привлекательно, без излишней массивности радиаторов, характерной для многих других решений.
|
|
На радиаторах можно увидеть жёлтые эмблемы и обозначение модели платы вместе с номером серии. Особенно выделяется крупный радиатор системы питания процессора, оснащённый продольными рёбрами для эффективного рассеивания тепла.
|
|
Чёрная панель ввода-вывода, являющаяся частью конструкции платы, предлагает стандартный, но полноценный набор разъёмов для решения различных задач.
Здесь присутствуют кнопки Flash BIOS и Clear CMOS, видеовыход HDMI 2.1, целых десять портов USB разных поколений, включая высокоскоростные 20G и 10G, сетевой порт 5G, два SMA-разъёма для антенн беспроводного модуля (2T2R), два аудиоразъёма 3,5 мм, а также редко встречающийся оптический выход.
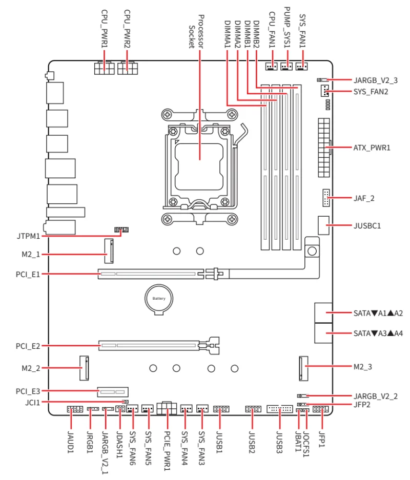
Далее показана схема размещения элементов и разъёмов на материнской плате MSI MAG B850 TOMAHAWK WiFi.
После демонтажа систем охлаждения MSI MAG B850 TOMAHAWK WiFi предстаёт в своём первоначальном виде.
Основой платы служит восьмислойная печатная плата, изготовленная по технологии «PCB Fabric». Это решение улучшает пропускную способность шин, уменьшает потери сигнала, обеспечивает более точный контроль импеданса и повышает температурную стабильность при экстремальных нагрузках.
Процессорный разъём AM5 выполнен в стандартном форм-факторе. С обратной стороны платы расположена усиливающая пластина, а сам разъём произведён компанией Lotes.
|
|
В настоящее время данная материнская плата совместима с более чем 40 моделями процессоров AMD для сокета AM5, от самого доступного AMD Ryzen 3 8300G до топового и весьма дорогого Ryzen 9 9950X3D. Можно с уверенностью сказать, что будущие процессоры AMD для этого же сокета также смогут работать на этой плате.
Схема питания процессора организована по конфигурации «14+2+1» (для CPU, SoC и iGPU), причем фазы для процессора и SoC используют 80-амперные сборки DrMOS MP87670 от Monolithic Power Systems, а для встроенной графики применена 55-амперная DrMOS AOZ5516QI от Alpha&Omega Semiconductor.
Таким образом, плата относится к среднему ценовому сегменту, но способна обеспечить процессор током до 1120А!
Управление энергоснабжением процессора осуществляется ШИМ-контроллером MPS MP2857, также произведенным компанией Monolithic Power Systems.
А за управление фазой питания встроенной графики отвечает ШИМ-контроллер Richtek RT3672EE.
Кроме того, на плате присутствует тактовый генератор Renesas A053GND (RC56008) для регулировки частоты базовой шины. Подобные микроконтроллеры редко встречаются в платах начального и среднего уровня, что выгодно выделяет MSI MAG B850 TOMAHAWK WiFi на фоне аналогов.
Подключение кабелей от блока питания к плате осуществляется через стандартный 24-контактный разъём и два 8-контактных разъёма, оснащённых цельнометаллическими контактами.
|
|
|
На материнской плате MSI MAG B850 TOMAHAWK WiFi присутствует один 8-пиновый разъём для дополнительного питания слотов PCIe x16. Стоит отметить, что подобная конфигурация силовых разъёмов нечасто встречается в устройствах данной ценовой категории.
Плата оснащена четырьмя слотами DIMM для памяти стандарта DDR5. В числе аппаратных усовершенствований заявлена передовая технология монтажа слотов на плату — Surface Mount Technology (SMT), которая повышает надёжность и стабильность работы, сводя к минимуму возможные электромагнитные помехи. Также важно помнить, что модули памяти в первую очередь следует устанавливать в слоты A2 и B2, о чём прямо указано на текстолите платы.
Всего на MSI MAG B850 TOMAHAWK WiFi можно разместить до четырёх модулей памяти общим объёмом до 256 ГБ. Максимальная эффективная частота памяти заявлена на уровне 8,2 ГГц, хотя в настройках BIOS доступны значения и свыше 10 ГГц. На странице поддержки платы для удобства пользователей представлен список рекомендованных и протестированных комплектов оперативной памяти. Из фирменных программных технологий поддерживаются MSI Memory Boost и MSI Latency Killer, причём последняя способна снизить задержки памяти до 12%.
Чипсет AMD X870E охлаждается массивным плоским радиатором с использованием термопрокладки.
В связке с центральным процессором чипсет обеспечивает полный спектр возможностей современных интерфейсов и портов, как показано на следующей схеме.
На MSI MAG B850 TOMAHAWK WiFi расположены три слота PCIe. Первый, версии 5.0, подключён непосредственно к процессору и защищён металлическим кожухом Steel Armor, который укрепляет конструкцию слота и экранирует контакты от электромагнитных наводок.
Для лёгкого извлечения видеокарты из этого слота реализован механизм EZ-PCIE-Release с удобной кнопкой.
Второй слот PCIe также является полноразмерным, но работает от чипсета в режиме 4.0/x4, а третий, также подключённый к чипсету, функционирует в режиме 3.0/x1.
Вероятно, главный (и, возможно, единственный) намёк на средний ценовой сегмент у материнской платы MSI MAG B850 TOMAHAWK WiFi — это наличие всего трёх разъёмов M.2 для твердотельных накопителей. В рассмотренной ранее версии MAX таких слотов четыре, как и у её второй вариации. Однако все порты здесь оборудованы теплорассеивателями, причём первый (M.2_1) — быстросъёмный, с фиксирующей защёлкой. Он задействует линии центрального процессора и позволяет устанавливать высокоскоростные накопители PCIe 5.0 длиной 60 или 80 мм.
Второй разъём, M.2_2, также использует ресурсы процессора, но совместим с SSD стандарта PCIe 4.0 длиной 60, 80 или 110 мм. Третий, M.2_3, подключён через чипсет и работает с накопителями PCIe 4.0 длиной 60 или 80 мм. Подключение SATA-накопителей через порты M.2 не предусмотрено (похоже, этот класс SSD постепенно уходит в прошлое).
Для подсоединения традиционных жёстких дисков на плате расположены четыре порта SATA, выполненные в горизонтальном исполнении (вертикальные разъёмы SATA мне не по душе, и хорошо, что здесь их нет).
Они реализованы через одну линию PCIe 3.0 от чипсета и хаб ASMedia ASM1064.
MSI MAG B850 TOMAHAWK WiFi оснащена двумя сетевыми контроллерами. Проводное подключение обеспечивается 5-гигабитным чипом Realtek RTL8126.
Беспроводные коммуникации поддерживаются модулем Wi-Fi 7 Qualcomm QCNCM865, функционирующим в диапазонах 2,4, 5 и 6 ГГц (с шириной канала до 320 МГц). Его максимальная пропускная способность даже превышает возможности проводного контроллера и может достигать 5,8 Гбит/с. Также присутствует поддержка Bluetooth 5.4, функции приоритизации трафика и настройки полосы пропускания с применением технологий искусственного интеллекта (AI LAN Manager).
Плата MSI MAG B850 TOMAHAWK WiFi предлагает семнадцать портов USB. Десять из них, включая высокоскоростной Type-C 20G, выведены на тыловую панель, и вы их уже видели ранее. Ещё семь портов доступны для подключения через внутренние разъёмы.
|
|
В комплект входит один высокоскоростной порт Type-C 10G, два разъёма USB 3.2 Gen1 Type-A 5 Гбит/с и четыре порта USB 2.0.
Звуковая подсистема построена на базе HD-аудиокодека Realtek ALC4080 с поддержкой 7.1-канального звука (32 бит/384 кГц), вблизи которого установлены пять конденсаторов различной ёмкости.
Аппаратные улучшения аудиотракта включают изоляцию звуковой зоны от остальных компонентов с помощью непроводящей ток полосы, а также раздельную разводку левого и правого каналов на разных слоях печатной платы. Также здесь предусмотрен усилитель для наушников и аппаратная защита от щелчков.
Контроль за работой вентиляторов и мониторинг на материнской плате MSI MAG B850 TOMAHAWK WiFi осуществляет контроллер Nuvoton NCT6687D-R.
Всего на плате расположено восемь 4-пиновых разъёмов для подключения вентиляторов и/или помп систем жидкостного охлаждения.
По мощности разъёмы выполнены в стандартном исполнении: для помпы предусмотрен трёхамперный коннектор мощностью 36 Вт, для процессорного кулера – 2А и 24 Вт, а для шести корпусных вентиляторов – 1А и 12 Вт.
Кроме того, плата MSI MAG B850 TOMAHAWK WiFi оснащена фирменным разъёмом